Мультимедиа блок для Toyota Camry 75 2020-2022 c 7" экраном - Radiola RDL-04-8/128 на Android 12, ТОП процессор, Carplay, 4G SIM-слот, 8/128ГБ
Toyota Camry V70/RAV4 с 2018 г.в. Для комплектации без штатной навигации.
Подходит на монитор 7 дюймов со штатной системой Fujitsu Ten, и Denso. (без штатной навигации и без кругового обзора)
Навигационный блок на системе Android 12.0
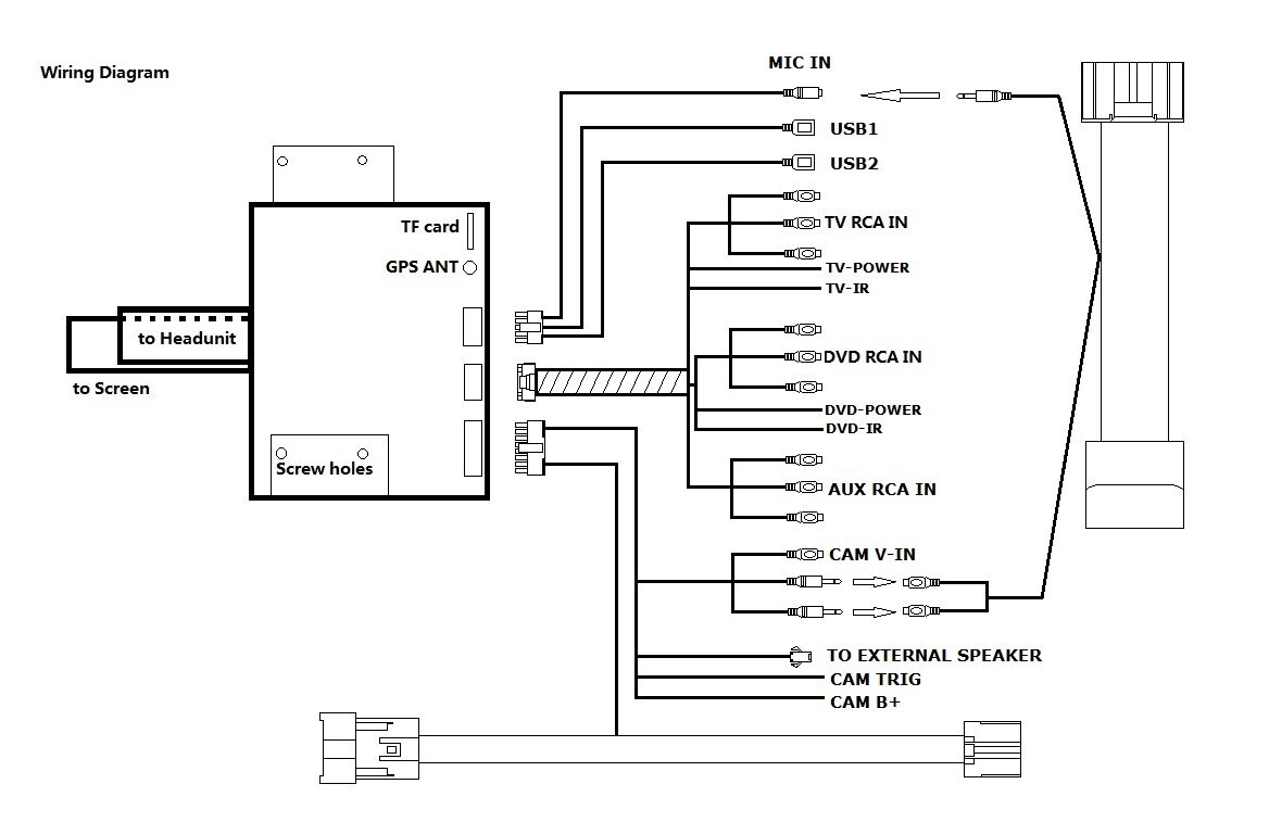
Подключение по заводским разъемам, управление с сенсорного штатного экрана.
1. Включение Андроид режима с помощью кнопки "Home" на лицевой панели монитора.
2. Используется Android стиль интерфейса интуитивно понятный для пользователя.
3. Управление Андроидом через сенсорный экран, как в оригинальной системе автомобиля.
4. Сохранение всех заводских функций, наложение климат-контроля, вывод режима Громкой связи в режиме Андроид.
5. Отображение камеры заднего вида автоматически из любого режима, поддержка кругового обзора из штатного меню.
6. Интернет соединение по средствам Wi-Fi (встроенный), возможность подключения к 4G Wi-Fi роутерам и другим устройствам имеющим точку доступа Wi-Fi.
7. Зеркальное отображение смартфона.
8. Аудио и Видео проигрыватель всевозможных форматов.
9. Поддержка штатной акустики, голосовые подсказки на дополнительный внешний динамик.
10. Микрофон для голосового управления навигацией используется штатный
Выход в Интернет через Браузер, подгрузка пробок в режиме Навигация, Интернет ТВ, приложение Антирадар и много других он-лайн сервисов.
Технические характеристики Андроид:
1. Операционная система Android 12.0
2. Процессор 8 ядер Unisoc T618 (2.0 GHz)
3. Оперативная память 8 GB
4. Объём встроенной памяти 128 GB
5. GPS-модуль встроенный
6. GPS антенна в комплекте
7. Интернет соединение по средствам Wi-Fi (встроенный),
возможность подключения к 4G Wi-Fi роутерам и другим
устройствам имеющим точку доступа Wi-Fi.
8. Видео-входы 1х камера заднего вида (разъём SCA Female), 2x
AUX IN (разъём RCA Female)
9. Система автоматически регулирует формат NTSC/PAL
10. 2-USB/micro SD Flash (до 32 GB) жёсткий диск (до 1 Tb) для
дисков емкостью более 1 Tb, может потребоваться активный
USB-HUB с дополнительным питанием.
11. Графический формат JPG/BMP/GIF/PNG/GIF
12. Формат воспроизведения аудио
APE/FLAC/WMA/AAC/OGG/RA/WAV/MP3/MP2
13. Формат воспроизведения видео H.263,H.264/MPEG1/2, MPEG4,
RMVB, AVI, WMV, 3GP, MP4, MOV, MPG, VOB, MKV, FLV,
TS, TP, DAT
Характеристики
|
Гарантия
|
1 ГОД |
|
Версия андроид
|
12 |
|
Модель
|
RDL-04 |
|
Операционная система
|
Android 12 |
|
Процессор
|
8 ЯДЕР |
|
Оперативная память
|
8 Гб |
Фото
Оформить заказ на нашем сайте легко. Просто добавьте выбранные товары в корзину, а затем перейдите на страницу Корзина, проверьте правильность заказанных позиций и нажмите кнопку «Оформить заказ» или «Быстрый заказ».
Функция «Быстрый заказ» позволяет покупателю не проходить всю процедуру оформления заказа самостоятельно. Вы заполняете форму, и через короткое время вам перезвонит менеджер магазина. Он уточнит все условия заказа, ответит на вопросы, касающиеся качества товара, его особенностей. А также подскажет о вариантах оплаты и доставки.
По результатам звонка, пользователь либо, получив уточнения, самостоятельно оформляет заказ, укомплектовав его необходимыми позициями, либо соглашается на оформление в том виде, в котором есть сейчас. Получает подтверждение на почту или на мобильный телефон и ждёт доставки.
Выберите из списка название вашего региона и населённого пункта. Если вы не нашли свой населённый пункт в списке, выберите значение «Другое местоположение» и впишите название своего населённого пункта в графу «Город». Введите правильный индекс.
В зависимости от места жительства вам предложат варианты доставки. Выберите любой удобный способ.
Оплата
Выберите оптимальный способ оплаты.
Введите данные о себе: ФИО, адрес доставки, номер телефона. В поле «Комментарии к заказу» введите сведения, которые могут пригодиться курьеру, например: подъезды в доме считаются справа налево.
Проверьте правильность ввода информации: позиции заказа, выбор местоположения, данные о покупателе. Нажмите кнопку «Оформить заказ».
Наш сервис запоминает данные о пользователе, информацию о заказе и в следующий раз предложит вам повторить к вводу данные предыдущего заказа. Если условия вам не подходят, выбирайте другие варианты.
Вы можете выбрать один из трёх вариантов оплаты:
При выборе варианта оплаты наличными, вы дожидаетесь приезда курьера и передаёте ему сумму за товар в рублях. Курьер предоставляет товар, который можно осмотреть на предмет повреждений, соответствие указанным условиям. Покупатель подписывает товаросопроводительные документы, вносит денежные средства и получает чек.
Также оплата наличными доступна при самовывозе из магазина, оплаты по почте или использовании постамата.
При оформлении заказа в корзине вы можете выбрать вариант безналичной оплаты. Мы принимаем карты Visa и Master Card. Чтобы оплатить покупку, вас перенаправит на сервер системы ASSIST, где вы должны ввести номер карты, срок действия, имя держателя.
Вам могут отказать от авторизации в случае:
- если ваш банк не поддерживает технологию 3D-Secure;
- на карте недостаточно средств для покупки;
- банк не поддерживает услугу платежей в интернете;
- истекло время ожидания ввода данных;
- в данных была допущена ошибка.
В этом случае вы можете повторить авторизацию через 20 минут, воспользоваться другой картой или обратиться в свой банк для решения вопроса.
Безналичным расчётом можно воспользоваться при курьерской доставке, использовании постамата или самовывоза из магазина.
Для оплаты вы можете воспользоваться одной из электронных платёжных систем:
- PayPal;
- WebMoney;
- Яндекс.Деньги.
Вас перенаправит на страницу платежного сервиса, следуя инструкциям, заполните правильную форму.
Наш интернет-магазин предлагает несколько вариантов доставки:
- курьерская;
- самовывоз из магазина;
- постаматы;
- почта России.
Вы можете заказать доставку товара с помощью курьера, который прибудет по указанному адресу в будние дни и субботу с 9.00 до 19.00. Курьерская служба, после поступления товара на склад, свяжется с вами и предложит выбрать удобное время доставки. Уточнит адрес.
Вы вскрываете упаковку при курьере, осматриваете на целостность и соответствие указанной комплектации. Если речь идёт об одежде, допустима примерка. Время осмотра и примерки ограничено 15 минутами. После вы можете отказаться частично или полностью от покупки.
Доставка бесплатна при заказе от 3000 рублей.
*Действует ли в вашем городе курьерская служба, уточняйте у менеджера магазина.
Вы можете забрать товар в одном из магазинов, сотрудничающих с нами. Список торговых точек, которые принимают заказы от нашей компании появится у вас в корзине. Когда заказ поступит в ваш город, вам придёт уведомление. Вы просто идёте в этот магазин, обращаетесь к сотруднику в кассовой зоне и называете номер заказа. Забрать покупку может ваш друг или родственник, который знает номер и имя, на кого он оформлен.
Постамат – это терминал с автоматизированной системой для хранения заказанных товаров. Удобство в том, что человек может забрать заказ в любое удобное время.
- в момент оформления заказа на сайте, вы выбираете удобный для себя постамат, если такая система работает в вашем городе;
- на ваш телефон или e-mail придет уникальный код, это значит, что товар доставлен в постамат;
- вы приходите к постамату, вводите полученный код и следует инструкциям автомата;
- оплачиваете заказ в терминале постамата;
- забираете товар.
Срок хранения в постамате 3 дня, но можно продлить ещё на аналогичный срок. Чтобы уточнить информацию и продлить время хранения зайдите на сайт нашего партнера, введите номер заказа и телефон и следуйте подсказкам на сайте.
Если в вашем городе не действует курьерская служба и постаматы, то вы можете заказать доставку через почту России. Сразу по прибытии товара, на ваш адрес придет извещение о посылке.
Перед оплатой вы можете оценить состояние коробки (не вскрывая): вес, целостность. Если вам кажется, что заказ не соответствует параметрам или коробка повреждена, попросите сотрудника почты составить акт о вскрытии. Вскрывать коробку самостоятельно вы можете только после того, как оплатили заказ.
Один заказ может содержать не больше 10 позиций и его стоимость не должна превышать 100 тысяч рублей.
Задать вопрос
Варианты доставки и оплаты товара.
Доставка курьером по Санкт-Петербургу.
Оплата: наличными, после передачи товара курьером.
Стоимость доставки: БЕСПЛАТНО
Доставка в любой город России.
1. Транспортная компания "СДЭК" (являемся партнером компании).
Стоимость доставки: БЕСПЛАТНО
2. Наложенный платёж. EMS Post.
Оплата при получении на отделении Почты России.
Стоимость доставки: зависит от региона отправления.
Самовывоз товара в Санкт-Петербурге.
Наличный и безналичный расчет Visa и MasterCard.
На все вопросы ответим по телефону. Звоните!
Услуги
Мы поможем вам установить любое оборудование в ваш автомобиль! Звоните нам! 8 952 288-56-17
Отправляем транспортными компаниями СДЕК, Яндекс, и любыми другими!
Отправляем БЕСПЛАТНО!
Все подробности уточняйте по телефону. Звоните нам! 8 952 288-56-17


































































































































































































































































































































































































































































































































































































































































































































